Velor Market
Оригинальные товары из Финляндии
Velor Land
Товары российских и зарубежных производителей
  • L300
  • Авто и мото
  • Всё для кухни
  • Дом и сад
  • Красота, здоровье и благополучие
  • Продукты питания
  • ИКЕА
  • Кофе
  • Чай
  • Витамины, минералы и пищевые добавки
  • Косметика и парфюмерия
  • Средства ухода и гигиены
  • Детские товары
  • Товары для дома
  • Здоровье
  • Одежда
  • Обувь
  • Спортивное питание
Качественные оригинальные товары из Финляндии с прямой доставкой до вашей двери в любом городе России.
Velor Market
Оригинальные товары из Финляндии
Velor Land
Товары российских и зарубежных производителей
  • L300
  • Авто и мото
  • Всё для кухни
  • Дом и сад
  • Красота, здоровье и благополучие
  • Продукты питания
  • ИКЕА
  • Кофе
  • Чай
  • Витамины, минералы и пищевые добавки
  • Косметика и парфюмерия
  • Средства ухода и гигиены
  • Детские товары
  • Товары для дома
  • Здоровье
  • Одежда
  • Обувь
  • Спортивное питание

Никелированная пластина для заземления PTCE

UID: 429752
Цена: 113 ₽
Количество
Товар продаётся по шт.
Всего выбрано товаров на сумму: 113
В корзину

Никелированная пластина для заземления PTCE, производитель: DKC — купить с доставкой

При построении кабельной трассы на основе системы ''S5 Combitech'' есть возможность использовать не целые секции лотков, а нарезать лотки на фрагменты произвольной длины. При этом безопасность и надежность кабельной трассы обеспечиваются специальными аксессуарами, входящими в состав системы. Так, при соединении нарезанных лотков может возникнуть разрыв контура заземления из-за того, что стыки лотков прилегают друг к другу неплотно. Чтобы избежать этого, применяется пластина PTСE. Она может крепиться к основанию или крышке лотка, передавая заземление. Пластина изготовлена из меди, и имеет никелированное покрытие.

  • Выполнена из меди с последующим нанесением никелированного покрытия
  • Обладает высокой коррозионной стойкостью при соединении с различными типами материалов и покрытий, таких как оцнкованная сталь, горячеоцинкованная сталь, цинк-ламель

Видеоинструкции

Видеоматериалы
Видеообзор
Видеоинструкция по монтажу
Видеоматериалы

Характеристики: Никелированная пластина для заземления PTCE

  • Страна: Россия
  • Производитель: DKC
  • Ед.измерения: шт
  • Тип изделия Пластина
  • Серия S5 Combitech
  • Материал изделия Медь
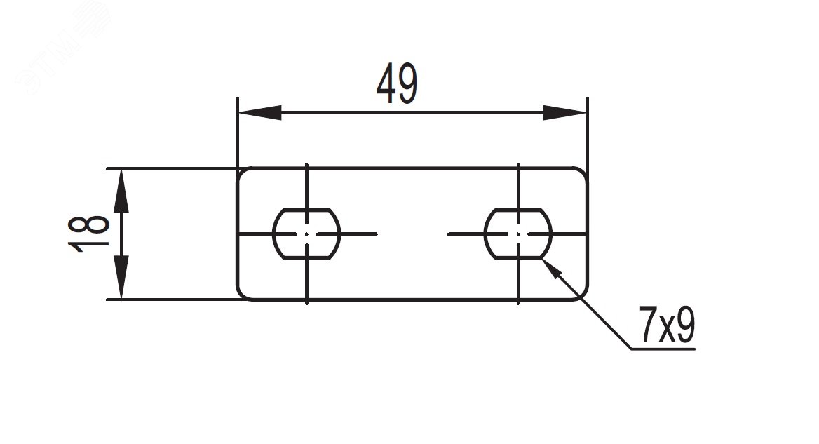
  • Ширина, мм 18
  • Длина, мм 49
  • Покрытие Никелированное
  • Толщина материала изделия 1
  • Климатическое исполнение УХЛ2
  • Цвет Светло-серый
  • Масса, кг 0.007
  • Рекомендованный проектный ассортимент Да
  • Код ТНВЭД 7419800000
0
Корзина
0