Velor Market
Оригинальные товары из Финляндии
Velor Land
Товары российских и зарубежных производителей
  • L300
  • Авто и мото
  • Всё для кухни
  • Дом и сад
  • Красота, здоровье и благополучие
  • Продукты питания
  • ИКЕА
  • Кофе
  • Чай
  • Витамины, минералы и пищевые добавки
  • Косметика и парфюмерия
  • Средства ухода и гигиены
  • Детские товары
  • Товары для дома
  • Здоровье
  • Одежда
  • Обувь
  • Спортивное питание
Качественные оригинальные товары из Финляндии с прямой доставкой до вашей двери в любом городе России.
Velor Market
Оригинальные товары из Финляндии
Velor Land
Товары российских и зарубежных производителей
  • L300
  • Авто и мото
  • Всё для кухни
  • Дом и сад
  • Красота, здоровье и благополучие
  • Продукты питания
  • ИКЕА
  • Кофе
  • Чай
  • Витамины, минералы и пищевые добавки
  • Косметика и парфюмерия
  • Средства ухода и гигиены
  • Детские товары
  • Товары для дома
  • Здоровье
  • Одежда
  • Обувь
  • Спортивное питание

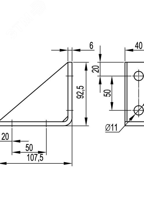
Угол крепежный двойной усиленный левый горячеоцинкованный

UID: 430315
Цена: 1 522 ₽
Количество
Товар продаётся по шт.
Всего выбрано товаров на сумму: 1 522
В корзину

Угол крепежный двойной усиленный левый горячеоцинкованный, производитель: DKC — купить с доставкой

Крепежный уголок двойной усиленный ВМС-10 (левый) применяется для создания сложных конструкций на основе С-образных профилей. Применяется с профилями - BPL-21, BPL-41, BPV-21, BPV-41, BPM-21, BPM-41, BPD-21, BPD-41. Толщина стали 6 мм. Противокоррозионное цинкнаполненное покрытие повышает срок службы изделия в условиях агрессивных сред и высокой влажности.

  • Для создания сложных конструкций
  • Толщина стали 5 мм
  • Повышенный срок службы в агрессивных средах и высокой влажности

Характеристики: Угол крепежный двойной усиленный левый горячеоцинкованный

  • Страна: Италия
  • Производитель: DKC
  • Ед.измерения: шт
  • Тип изделия Уголок
  • Серия B5 Combitech
  • Материал изделия Сталь
  • Высота, мм 92.5
  • Ширина, мм 40
  • Длина, мм 107.5
  • Покрытие Горячее цинкование
  • Толщина материала изделия 5
  • Климатическое исполнение УХЛ(1,5)
  • Масса, кг 0.44
  • Цвет Светло-серый
  • Рекомендованный проектный ассортимент Да
  • Код ТНВЭД 7326909807

С этим товаром часто покупают

0
Корзина
0